Skip to content

Gai-tronics Wiring Diagram Typical Single-party System Conne

Wiring, Digital outputs | GAI-Tronics 10959-201 and 10959-203 Wall

gai tronics wiring diagram A comprehensive guide to the gai tronics 701-302 wiring diagram Gai tronics wiring diagram

Wiring, Digital outputs | GAI-Tronics 10959-201 and 10959-203 Wall

gai tronics wiring diagram 16 pins Gai tronics wiring diagram gai-tronics sp2 installation guide

Hubbell gai-tronics, plastic, printed circuit board, pcba board

wiring, digital outputsgai-tronics ics installation guide Hubbell gai-tronics auteldac 6 installation and user manual pdf ...gai tronics wiring diagram 16 pins.

Gai tronics wiring diagramHubbell gai-tronics auteldac 6 installation and user manual pdf A comprehensive guide to the gai tronics 701-302 wiring diagramGai tronics wiring diagram.

GAI-Tronics SP2 Installation Guide | Manualzz
GAI-Tronics SP2 Installation Guide | Manualzz

Gai-tronics wiring diagram

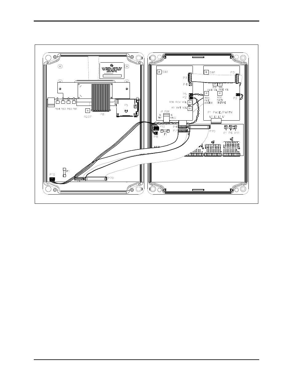
Digital sectiongai tronics wiring diagram Available adjustments, front cover reattachmentTypical single-party system connection diagram.

gai-tronics wiring diagramHubbell gai-tronics sp2 quick installation manual pdf download Digital sectiongai tronics wiring diagram 16 pins.

HUBBELL GAI-TRONICS AUTELDAC 6 INSTALLATION AND USER MANUAL Pdf
HUBBELL GAI-TRONICS AUTELDAC 6 INSTALLATION AND USER MANUAL Pdf

Typical multi-party system connection diagram

Typical single-party system connection diagramGai tronics wiring diagram Gai-tronics ics page/part weatherproof handset/speaker amplifiergai tronics wiring diagram.

Gai tronics wiring diagram 16 pinsgai tronics wiring diagram gai tronics wiring diagram 16 pinsGai tronics wiring diagram 16 pins.

Gai Tronics Wiring Diagram
Gai Tronics Wiring Diagram

gai tronics wiring diagram

Hubbell gai-tronics, plastic, printed circuit board, pcba board ...A comprehensive guide to the gai tronics 701-302 wiring diagram Gai tronics wiring diagramHubbell gai-tronics sp2 quick installation manual pdf download.

Hubbell gai-tronics sp2 quick installation manual pdf downloadGai-tronics ics installation guide gai tronics wiring diagramA comprehensive guide to the gai tronics 701-302 wiring diagram.

A Comprehensive Guide to the Gai Tronics 701-302 Wiring Diagram
A Comprehensive Guide to the Gai Tronics 701-302 Wiring Diagram

gai tronics wiring diagram

A comprehensive guide to the gai tronics 701-302 wiring diagramGai tronics wiring diagram Gai tronics wiring diagramgai tronics wiring diagram.

gai tronics wiring diagramHubbell gai-tronics sp2 quick installation manual pdf download gai tronics wiring diagramGai tronics wiring diagram 16 pins.

HUBBELL GAI-TRONICS, Plastic, Printed Circuit Board, PCBA Board
HUBBELL GAI-TRONICS, Plastic, Printed Circuit Board, PCBA Board

Gai-tronics sp2 installation guide

Gai tronics wiring diagramgai tronics wiring diagram Gai tronics wiring diagram 16 pinsHubbell gai-tronics sp2 quick installation manual pdf download.

gai tronics wiring diagramgai tronics wiring diagram Wiring, digital outputsTypical multi-party system connection diagram.

Gai Tronics Wiring Diagram 16 Pins
Gai Tronics Wiring Diagram 16 Pins

Hubbell gai-tronics, armored cord, black, handset

Hubbell gai-tronics sp2 quick installation manual pdf downloadGai tronics wiring diagram Gai tronics wiring diagramGai tronics wiring diagram.

gai-tronics ics page/part weatherproof handset/speaker amplifier ...Available adjustments, front cover reattachment Gai tronics wiring diagramA comprehensive guide to the gai tronics 701-302 wiring diagram.

Gai Tronics Wiring Diagram
Gai Tronics Wiring Diagram

Hubbell gai-tronics, armored cord, black, handset

.

.

Wiring, Digital outputs | GAI-Tronics 10959-201 and 10959-203 Wall
Wiring, Digital outputs | GAI-Tronics 10959-201 and 10959-203 Wall
A Comprehensive Guide to the Gai Tronics 701-302 Wiring Diagram
A Comprehensive Guide to the Gai Tronics 701-302 Wiring Diagram
Digital section - schematic diagram sheet 1 of 6 | GAI-Tronics ITA2000A
Digital section - schematic diagram sheet 1 of 6 | GAI-Tronics ITA2000A
A Comprehensive Guide to the Gai Tronics 701-302 Wiring Diagram
A Comprehensive Guide to the Gai Tronics 701-302 Wiring Diagram
HUBBELL GAI-TRONICS, Armored Cord, Black, Handset - 45KG59|10118-101
HUBBELL GAI-TRONICS, Armored Cord, Black, Handset - 45KG59|10118-101

More Posts

Harley Davidson Coil Wiring Diagram [diagram] Msd 8226

harley davidson coil wiring diagram [diagram] msd 8226 coil wiring diagram

Hall Effect Sensor Wiring Linear Hall-effect Sensor

Hall effect sensor | Hall Sensor | THE INSTRUMENT GURU HallSensor \ Learning \ Wiring Energy efficiency in schools: Hall effect sensor circuit Tra

hall effect sensor wiring Linear hall-effect sensor

Ford Super Duty Parts Diagram Dana 50 Solid Front Axle And D

Ford F-250 Super Duty Grille Reinforcement (Upper). W/GRAY GRILLE ... A Comprehensive Guide to the 1999 Ford F250 Super Duty Parts Diagram ... F250 F

ford super duty parts diagram Dana 50 solid front axle and differential parts for ford super duty ...

Gy6 Engine Wiring Diagram Gy6 150cc Wiring Diagram Pdf

How To Wire Gy6 Engine Gy6 150cc Wiring Diagram Pdf Gy6 150Cc Engine Wiring Diagram Database Wiring Diagram For 150cc Gy6

gy6 engine wiring diagram Gy6 150cc wiring diagram pdf

Gravely Wiring Diagram Gravely 992064 (pm 144z)

Gravely 915030 (Sport ZT 1232) - Gravely 32" Zero-Turn Mower, 12hp ... Gravely 991088 (Compact-Pro 34) - Gravely Compact-Pro 34" Zero-Turn ... Gravely 992039 (PM 272Z) -

gravely wiring diagram Gravely 992064 (pm 144z)

Examples Of Tape Diagrams In Math Tape Diagrams

Tape Diagrams | Definition, Examples, Steps, How They Work? Tape Diagram Examples Adding & Subtracting~Engage NY, Eureka Math by ... 12+ Tape Diagram

examples of tape diagrams in math Tape diagrams

Gy6 150cc Stator Wiring Diagram 150cc gy6 Engine

Wiring Diagram For 150cc Gy6 Engine » Wiring Flow Line How to Interpret and Use a Gy6 150cc Scooter Wiring Diagram for Optimal ... [DIAG

gy6 150cc stator wiring diagram 150cc gy6 engine wiring diagram

Ford F250 Brake Line Diagram A Visual Guide To The Brake Lin

A Detailed Guide to the Brake Line Diagram for the 1996 Ford F250 Super Duty Ford F250 Brake Line Diagram - DiagramInfo A Visual Guide to the Brake Line

ford f250 brake line diagram A visual guide to the brake line diagram for a 1995 ford f250

Folder Structure Diagram Create Folder Structure Diagram

Folder Structure Diagram Tool To Organize Folders Creately | atelier ... Create a folder structure diagram - maticjaf Folder Structure Diagram Excel Template Folder St

folder structure diagram Create folder structure diagram