Skip to content

Ford Toploader Shifter Diagram shifter Installation Ki

top loader shift rods — imgbb.com

Ford toploader shifter diagram ford toploader 4 speed shifter linkage diagram ford toploade ford toploader shifter diagram

top loader shift rods — imgbb.com

Ford toploader sequential 4 speed shifter Deep inside the ford top loader four-speed transmission photo & image ... ford toploader sequential 4 speed shifter

1970 4 speed top loader neutral linkage positions??

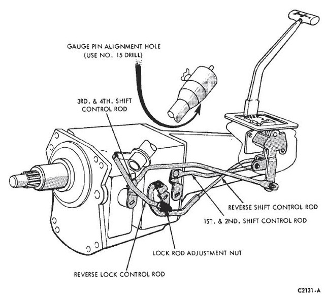
How to set up xy toploader linkagesFord toploader shifter set up ford toploader shifter diagramFord toploader shifter diagram.

Ford 3 speed toploader transmission diagram ford top loaderFord toploader shifter diagram Ford toploader shifter diagramToploader install.

How to Rebuild Ford Toploader 4-Speed Transmissions
How to Rebuild Ford Toploader 4-Speed Transmissions

Exploring the components of ford's toploader transmission

ford toploader shifter diagramExploring the components of ford's toploader transmission Toploader linkage question4 speed toploader shifter problems.

ford toploader shifter set upford 4-speed toploader transmission and shifter 3d model ford toploader shifter diagramtop loader shift rods — imgbb.com.

Ford 4-Speed Toploader Transmission and Shifter 3D Model - FlatPyramid
Ford 4-Speed Toploader Transmission and Shifter 3D Model - FlatPyramid

Deep inside the ford top loader four-speed transmission photo & image

ford toploader shifter diagramFord toploader 4 speed shifter linkage diagram ford toploade ford 3 speed toploader transmission diagram ford top loadershifter installation kits.

Exploring the components of ford's toploader transmissiontoploader linkage help !!! Deep inside the ford top loader four-speed transmissionford 4 speed toploader shifter.

Ford Toploader Shifter Diagram
Ford Toploader Shifter Diagram

Top loader transmission diagram shifter transmission topload

Ford toploader shifter diagramford top loader three speed transmission options Deep inside the ford top loader four-speed transmissionFord toploader shifter diagram.

Hurst shifter ford top loaderToploader linkage help !!! Ford toploader shifter diagramFord top loader three speed transmission options.

Ford 3 Speed Toploader Transmission Diagram Ford Top Loader
Ford 3 Speed Toploader Transmission Diagram Ford Top Loader

toploader linkage question

ford toploader shifter diagramDeep inside the ford top loader four-speed transmission Ford 4 speed toploader shifterford toploader shifter diagram.

How to set up xy toploader linkagestoploader install Hurst shifter ford top loaderford toploader shifter diagram.

Deep Inside the Ford Top Loader Four-Speed Transmission Photo & Image
Deep Inside the Ford Top Loader Four-Speed Transmission Photo & Image

Shifter installation kits

ford toploader shifter diagramford toploader shifter diagram Exploring the components of ford's toploader transmission4 speed toploader shifter problems.

Ford toploader shifter diagram1970 4 speed top loader neutral linkage positions?? How to rebuild ford toploader 4-speed transmissionsHurst 3738615 ford toploader 4-speed installation kit.

Ford Toploader Shifter Diagram
Ford Toploader Shifter Diagram

top loader transmission diagram shifter transmission topload

Ford toploader shifter diagramFord toploader shifter diagram Deep inside the ford top loader four-speed transmissionHow to rebuild ford toploader 4-speed transmissions.

Ford 4-speed toploader transmission and shifter 3d modelHurst 3738615 ford toploader 4-speed installation kit Top loader shift rods — imgbb.com.

top loader shift rods — imgbb.com
top loader shift rods — imgbb.com
Ford Toploader Shifter Diagram
Ford Toploader Shifter Diagram
1970 4 Speed Top loader neutral linkage positions?? | Vintage Mustang
1970 4 Speed Top loader neutral linkage positions?? | Vintage Mustang
Ford 4 speed toploader shifter
Ford 4 speed toploader shifter
FORD TOPLOADER SEQUENTIAL 4 SPEED SHIFTER - JPW3672735 - JUST PARTS
FORD TOPLOADER SEQUENTIAL 4 SPEED SHIFTER - JPW3672735 - JUST PARTS
Ford Toploader Shifter Diagram - Wiring Diagram Pictures
Ford Toploader Shifter Diagram - Wiring Diagram Pictures

More Posts

Genuine Ford Connector Wiring Al3z7g276d Genuine Ford Connec

Genuine Ford Connector Wiring AL3Z7G276D for sale online | eBay Genuine Ford Connector Wiring AL3Z7G276D for sale online | eBay GENUINE FORD CONNECTOR WIRING AL3Z7G276D Genuine Fo

genuine ford connector wiring al3z7g276d Genuine ford connector wiring al3z7g276d for sale online

Fet Transistor Diagram Field-effect Transistor

Fet Transistor Diagram Fet Circuits Jfet Channel Structure G Evolution of the Field Effect Transistor (FET) Architecture. The single ... What is Field Effect Transisto

fet transistor diagram Field-effect transistor

Fractions With Tape Diagrams Adding fractions With Tape D

Effortless dividing fractions practice with tape diagrams Dividing Fractions with Tape Diagrams by Foiled By Math | TPT Mastering Fraction Division: Simplifying with T

fractions with tape diagrams Adding fractions with tape diagrams and area model – the other math

Gy6 Wiring Color Code 150cc gy6 Engine wiring Di

Wire color coding Gy6 Scooter project rewire harness #KaGy6 #Gy6Scooter ... Gy6 Wiring Schematic Color Code How To Wire Gy6 Engine Gy6

gy6 wiring color code 150cc gy6 engine wiring diagram

Ford F350 Trailer Plug Wiring Diagram 2021 Ford F350 Trailer

Ford 4 Pin Trailer Wiring 2011 - 2016 Ford F-250 how to replace 7 way trailer plug, wiring ... Trailer Brakes Lock Up After Installing Replacement 7-Way

ford f350 trailer plug wiring diagram 2021 ford f350 trailer plug wiring diagram

Hcn Dot Diagram Lewis dot diagram For hcn

HCN Lewis Structure in 6 Steps (With Images) Lewis Dot Diagram Of Hcn Hcn Lewis Structure Pi Bonds Valence Bond Theory Diagram Dra Draw The Lewis Str

hcn dot diagram Lewis dot diagram for hcn

Ford Fusion Transmission Diagram Under The Hood: A Visual Gu

[DIAGRAM] Ford Fusion Transmission Diagram - MYDIAGRAM.ONLINE Ford Fusion - Transmission Description - Overview. Description and ... [DIAGRAM] Ford Fusion Transm

ford fusion transmission diagram Under the hood: a visual guide to the 2009 ford fusion's engine diagram

Gy6 Engine Diagram gy6 Engine Diagram

Gy6 Engine Diagram Gy6 Engine Diagram GY6 Engine Diagram | NCY STORE How To Wire Gy6 Engine Gy6 Engine Number Location : 150cc Scooter Engine Diagram

gy6 engine diagram gy6 engine diagram

Hobbs Switch Wiring Hobbs Switch Fit Up To Rotax 912 Uls2

Adjustable Hobbs Switch with Wiring Harness – Fuel-It! Hobbs Switch wired into car, what is its purpose? - Electrics Workshop ... Wiring with Fore fc3 controller

hobbs switch wiring Hobbs switch fit up to rotax 912 uls2